सम्पर्क
गुनासो गर्नुहोस्
गृह मन्त्रालय
टेलिफोन निर्देशिका
नेपाली
English
न्यून व्यान्डविथ
Invert Color
A-
A
A+
नेपाल सरकार
गृह मन्त्रालय
जिल्ला प्रशासन कार्यालय, कन्चनपुर
नेपाल सरकार
गृह मन्त्रालय
जिल्ला प्रशासन कार्यालय, कन्चनपुर
न्यून व्यान्डविथ
Invert Color
A-
A
A+
गृह पृष्ठ
हाम्रो बारेमा
जिल्लाको परिचय
मुख्यकार्य
कर्मचारी विवरण
संगठन संरचना
पुर्व प्र.जि.अ.हरुको विवरण।
ईलाका प्रशासन कार्यालय त्रिभुवनबस्ती
जिल्ला स्थित कार्यालय प्रमुखको विवरण तथा ईमेल
नागरिक सेवा वडापत्र
काेठा न. सहितकाे नागरिक वडापत्र
प्रगति विवरण
मासिक प्रगती विवरण
त्रैमासिक प्रगति विवरण
बार्षिक प्रगती विवरण
नागरिक सुनुवाई
कार्य सम्पादन सम्झाैताकाे प्रगति विवरण
अन्य
राष्ट्रिय परिचयपत्र सम्बन्धि
सूचनाकाे हक कार्यान्वयन
सूचना अधिकारीकाे विवरण
गुनासाे सुन्ने अधिकारीकाे विवरण
सूचनाकाे हक सम्बन्धा प्रकाशित विवरण
ऐन नियम तथा कार्यविधी
नेपाल कानुन आयोग
स्वत: प्रकाशन
सूचना पाटी
विपद व्यवस्थापन
आपतकालिन कार्य योजना
DDMC का निर्णयहरु
राहत वितरण सम्बन्धि विवरण
कोभिड-१९ सम्बन्धी विवरण
सन्धी सम्झाैता
डाउनलाेड
विविध निर्णय
अन्य
निवेदन
फाराम
सम्पर्क
कोभिड-१९ सम्बन्धी वि...
Covid-19 Report 2078...
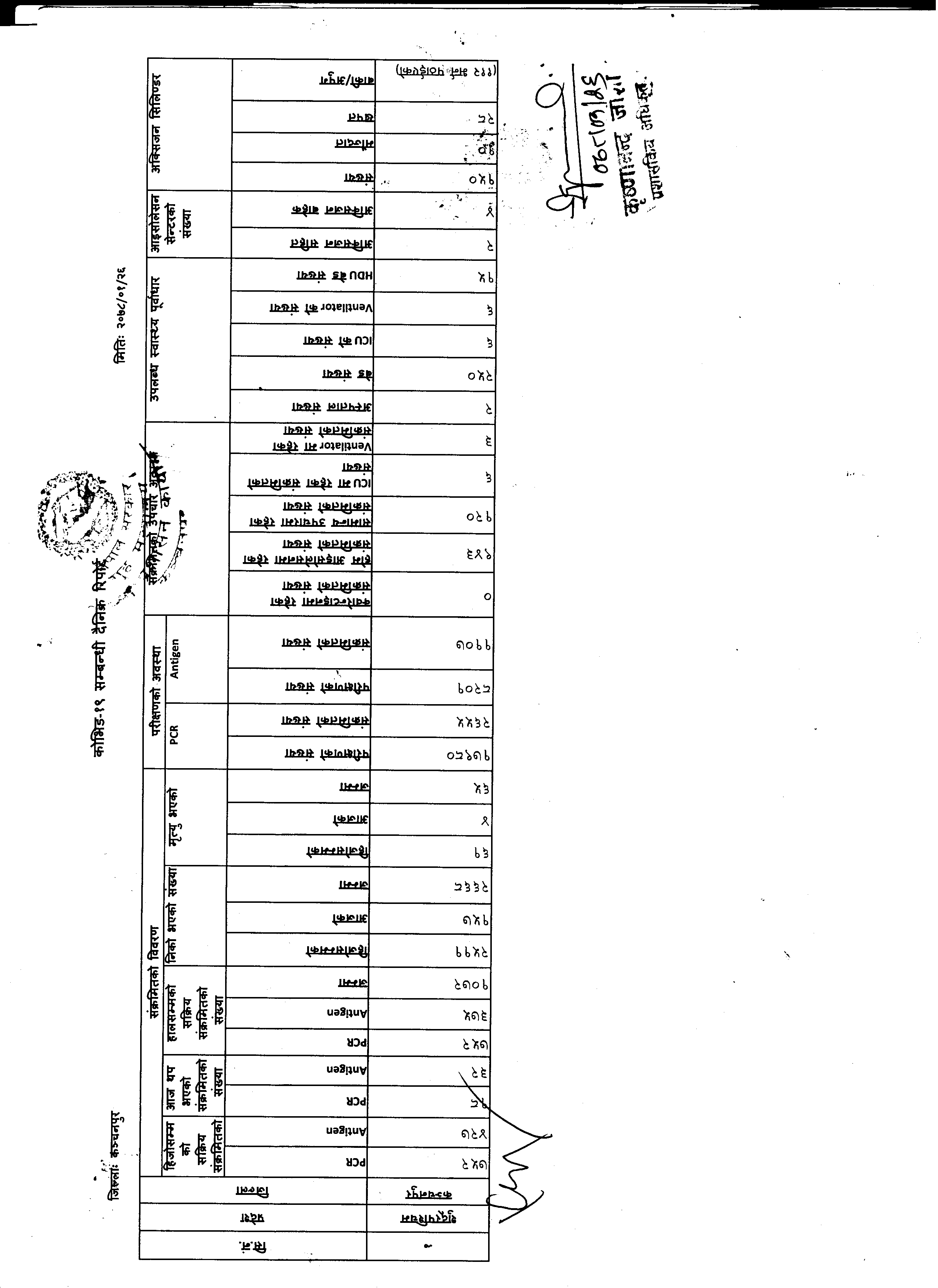
Covid-19 Report 2078-01-26
2078-01-26
2078-01-26
तस्बिर :
फाईलको नाम
डोउनलोड
neoc(2).png
neoc(2).png
कोभिड-१९ सम्बन्धी विवरण
25
अशोज
Covid-19 Report 2078-06-25
2078-06-25
24
अशोज
Covid-19 Report 2078-06-24
2078-06-24
22
अशोज
Covid-19 Report 2078-06-22
2078-06-22
22
अशोज
Covid-19 Report 2078-06-21
2078-06-22
20
अशोज
Covid-19 Report 2078-06-20
2078-06-20
19
अशोज
Covid-19 Report 2078-06-19
2078-06-19
18
अशोज
Covid-19 Report 2078-06-18
2078-06-18
सबै हेर्नुहोस
पछिल्लो अपडेट गरिएको : 2083-01-03 15:29:30
© सर्वाधिकार सुरक्षित जिल्ला प्रशासन कार्यालय, कन्चनपुर
.